@CelesteGG
2020-01-11T03:38:38.000000Z
字数 7389
阅读 1880
三自由度直升机 PID控制 LQR最优控制
三自由直升机系统由基座、平衡块和螺旋桨等部分组成,平衡杆以基座为支点,做俯仰和转动动作。螺旋桨和平衡块分别安装在平衡杆的两端。螺旋桨旋转产生的升力可以使平衡杆以基座为支点做俯仰运动,利用两个螺旋桨的速度差可以使平衡杆以基座为轴做旋转运动。平衡杆的旋转轴、俯仰轴和螺旋桨的横侧轴都都分别安装了编码器,用来测量平衡杆俯仰轴、旋转轴和螺旋桨横侧轴的数据。两个螺旋桨分别由两个直流无刷电机驱动,为螺旋桨提供动力。通过调节安装在平衡杆另一侧的平衡块可以减少螺旋桨电机的出力。安装在基座的集电环保证了系统本体和电控箱之间的信号传输不受直升机转动的影响。
根据系统的特性,将它分为三个自由度分别建模。
由图可知,俯仰轴的转矩由两个螺旋桨电机产生的升力和所产生,故螺旋桨的升。当升力大于螺旋桨的和重力G时,,则直升机上升;反之,直升机下降。
假设直升机悬在空中,并且俯仰角为零度,根据静平衡假设,列写力学方程
通过资料,确定我们会用到的电气参数如下表
| 代号 | 含义 | 大小 | 单位 |
|---|---|---|---|
| 俯仰轴转动惯量 | 0.7663 | ||
| 旋转轴转动惯量 | 0.7663 | ||
| 横侧轴转动惯量 | 0.0266 | ||
| 螺旋桨本体质量 | 1.500 | ||
| 平衡块质量 | 2.120 | ||
| 螺旋桨到支点距离 | 0.64 | ||
| 支点到平衡块距离 | 0.25 | ||
| 螺旋桨到横侧轴支点的距离 | 0.17 | ||
| 电机力常数 | 0.50 | ||
| 螺旋桨悬浮力 | 0.69 | 单位 | |
| 螺旋桨等效质量 | |||
| 、 | 俯仰轴、横侧轴的转动加速度 | ||
| 旋转轴旋转速度 |
如图 所示,横侧轴由两个螺旋桨产生的升力控制,如果产生的升力大于产生的升力,则螺旋桨本体就会产生倾斜,这样就会产生一个侧向力,使直升机围绕基座旋转。
当横侧轴倾斜时,会产生一个垂直于两个螺旋桨所在平面的侧方向升力,如图所示。该侧方向分升力在竖直平面内的分力可以让直升机本体在空中出于悬停状态。在水平面的另一个分力是旋转轴在水平面内运动的动力来源,旋转轴在的水平方向升力分量的作用下不断加速直至达到给定的参考旋转速度。
3.1.1俯仰轴系统
对于俯仰轴动力方程(1)式,忽略重力扰动力矩,可以得到线性系统
假定给定性能指标,如下表所示,则可以通过调整和的值,实现固定要求的系统控制。
| 三轴 | ||
|---|---|---|
| 俯仰轴 | 2 | 0.707 |
| 旋转轴 | 1.5 | 0.707 |
| 横侧轴 | 8 | 0.707 |
假定俯仰角输入值为30,通过simulink仿真PD控制和未控制的曲线如下图
可见原二阶系统发散,通过PD校正后系统稳定。
3.2.1横侧轴系统
将电压和信号作为控制系统输入,俯仰角角度为控制系统输出,因此俯仰轴系统的传递函数写为。由式(2)可得横侧轴被控模型。
3.3.1旋转轴系统
由(3)式可知旋转轴动力学方程,因为其含有正弦项,对其进行线性化,在横侧角很小时,可以有,假定这个线性化范围
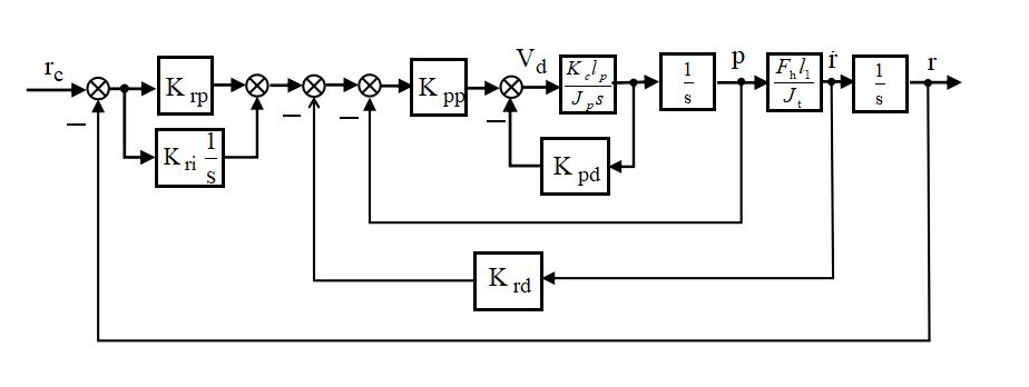
PID控制中,我们是根据经典控制论,利用全状态反馈控制,凭经验在选取和,确定定值系数进行系统设计。
现在从多变量的角度,利用现代控制理论设计LQR控制器。
LQR (linear quadratic regulator)即线性二次型调节器 ,其对象是现代控制理论中以状态空间形式给出的线性系统 ,而目标函数为对象状态和控制输入的二次型函数。LQR最优设计是指设计出的状态反馈控制器 K要使二次型目标函数J 取最小值,而 K由权矩阵Q 与 R 唯一决定,故此 Q、 R 的选择尤为重要。LQR理论是现代控制理论中发展最早也最为成熟的一种状态空间设计法。特别可贵的是 ,LQR可得到状态线性反馈的最优控制规律 ,易于构成闭环最优控制。
Q为性能指标函数对于状态量的权阵,为对角阵,元素越大,意味着该变量在性能函数中越重要。要求性能函数求最小,也就是说该状态的约束要求高。
R阵为控制量的权重,对角阵,同样,对应的元素越大,这意味着,控制约束越大。
其具体的模型推导已经是成熟的理论,在此不再赘述。
已知系统的状态空间模型
线性二次型即是求最优控制,使得性能指标
通过MATLAB对我们所需的增益矩阵K进行求解,并对
A=[0 0 1 0 0;
0 0 0 1 0;
0 0 0 0 0;
0 0 0 0 0;
0 0.585 0 0 0];
B=[0 0;
0 0;
0.424 0.424;
3.198 -3.198;
0 0];
C=[1 0 0 0 0;
0 1 0 0 0;
0 0 0 0 1];
D=[0];%输入系数矩阵
Q11=300;Q22=300;Q33=1,Q44=1;Q55=1;
Q=[Q11 0 0 0 0;
0 Q22 0 0 0;
0 0 Q33 0 0;
0 0 0 Q44 0;
0 0 0 0 Q55];
R=[5 0;
0 5];%输入性能指标矩阵
P=care(A,B,Q,R)
K=inv(R)*B'*P%二次型最优控制求解
得到的计算输出如下
Q33 =
1
P =
197.6207 0 64.5899 0 0
0 74.3574 0 8.6346 4.2742
64.5899 0 42.5477 0 0
0 8.6346 0 2.1133 0.4944
0 4.2742 0 0.4944 29.8535
K =
5.4772 5.5227 3.6080 1.3516 0.3162
5.4772 -5.5227 3.6080 -1.3516 -0.3162
得到状态方程的反馈增益
V1=0.4;V2=0.2;
Eleva=0.2;dEleva=0;
Travel=0.1;dTravel=0;
Rotate=0;dRotate=0;
tf=5;
dt=0.001;
for i=1:tf/dt
ddEleva=0.424*(V1+V2);
ddTravel=3.198*(V1-V2);
dRotate=0.585*Eleva;
dEleva=ddEleva*dt+dEleva;
Eleva=dEleva*dt+Eleva;
dTravel=ddTravel*dt+dTravel;
Travel=dTravel*dt+Travel;
Rotate=dRotate*dt+Rotate;
V1=-(K(1,1)*Eleva+K(1,2)*Travel+K(1,3)*dEleva+K(1,4)*dTravel+K(1,5)*Rotate);
V2=-(K(2,1)*Eleva+K(2,2)*Travel+K(2,3)*dEleva+K(2,4)*dTravel+K(2,5)*Rotate);
t=i*dt;
tp(i)=t;
Eleva_p(i)=Eleva;
Travel_p(i)=Travel;
Rotate_p(i)=Rotate;
V1_p(i)=V1;
V2_p(i)=V2;
end
figure(1)
subplot(3,1,1);plot(tp,Eleva_p);grid on;xlabel('t'),ylabel('俯仰角'), title('LQR直升机俯仰角、横侧角、旋转角仿真曲线');
subplot(3,1,2);plot(tp,Travel_p);grid on;xlabel('t'),ylabel('横侧角');
subplot(3,1,3);plot(tp,Rotate_p);grid on;xlabel('t'),ylabel('旋转角');
figure(2)
subplot(2,1,1);plot(tp,V1_p);grid on;xlabel('t'),ylabel('V1'),title('直升机两个电机输入信号仿真曲线');
subplot(2,1,2);plot(tp,V2_p);grid on;xlabel('t'),ylabel('V2');
得到的仿真曲线如下

从图中可以看出,在给定了前述初值情况下,LQR结果的控制器控制效果良好:俯仰角回到平衡点的调节时间约为1.5s;横侧角回到稳态误差的调节世界小于1s;旋转角的调节滞后于横侧角,由于旋转角速度受横侧角比例控制,因此在2.5s左右进入一个不一定为零的恒定值附近,能量消耗控制地较小。
最后,进一步对LQR的两个权值矩阵进行试探。
如果只增大R的权值
K =
2.7386 2.7703 2.5464 0.9441 0.1581
2.7386 -2.7703 2.5464 -0.9441 -0.1581
反馈增益明显减小,仿真曲线如下
可见系统的动态性能变差,信号变幅减小,调节消耗的能量减小。
如果只增大Q的权值
K =
8.9443 8.9795 4.6038 1.7052 0.3162
8.9443 -8.9795 4.6038 -1.7052 -0.3162
仿真曲线如下
可见系统的快速性有所提升,但是消耗能量明显变大。
因此在LQR的控制中,选取Q和R权值矩阵,表征着控制的能量消耗和性能改善也是相互影响和制约:想要获得好的动态性能,就要消耗更多的能量;节省能量则会以控制质量的下降为代价。
1杨慧萍,高贯斌,那靖. 三自由度直升机实验平台及姿态跟踪控制器设计[J]. 机械与电子,2015,(05):69-72.
2吴琼,王强,兰文宝,刘思久. 基于模糊自适应PID三自由度直升机控制器的研究[J]. 黑龙江大学工程学报,2014,5(02):87-93.
3张乐,吴金男,毕少杰. 基于模糊PID的直升机模型飞行姿态控制[J]. 控制工程,2014,21(03):387-390+394.
4丁春龙. 三自由度直升机建模及控制方法研究[D].哈尔滨理工大学,2014.
5葛金来,张承慧,崔纳新. 模糊自整定PID控制在三自由度直升机实验系统中的应用[J]. 信息与控制,2010,39(03):342-347.
相关个人链接
本报告网页链接
CSDN此篇专供用图网页